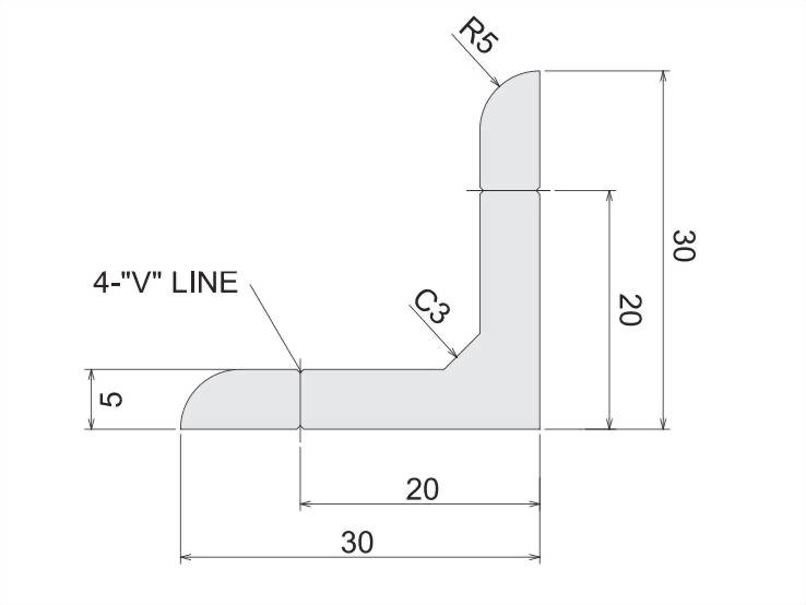
DAB 3030 30X30
Technical Data ( 技術&Data )
| Material ( 材質 ) | A6N01S-T5 or A6063S-T5 |
| Surface Processing ( 表面處理 ) | Anodized 陽極電鍍 |
| Weight ( 重量 ) | 0.73kg/m |
| Section Area ( 斷面積 ) | 268.4mm² |
|
Second
Section Moment (斷面2次 Moment) |
lx=0.8x10cm4 ly=3.2x10cm4 |
| Specification ( 長度 ) | 4,000mm / 6,000mm |
| Color ( 顏色 ) | Silver , Black |
| Application ( 用途 ) |
Bracket Profile L型連接塊 |
