DF 2020鋁擠型
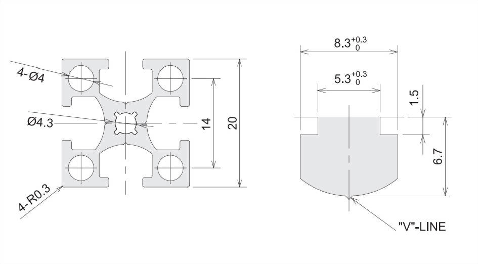
通用2020鋁擠型規格,槽寬5.3mm,其他2020可參考下方連結
https://www.dyc.tw/dcf-2020-1-20x20.html 單封槽
https://www.dyc.tw/drf-2020-20x20.html 1/4圓形彎角鋁擠型
https://www.dyc.tw/dab-2020-20x20.html 90度鋁角(無T型槽)![]()
Technical Data ( 技術&Data )
| Material ( 材質 ) | A6N01S-T5 or A6063S-T5 |
| Surface Processing ( 表面處理 ) | Anodized 陽極電鍍 |
| Weight ( 重量 ) | 0.4kg/m |
| Section Area ( 斷面積 ) | 145.94mm² |
|
Second
Section Moment (斷面2次 Moment) |
lx=0.59x10cm4 ly=0.59x10cm4 |
| Specification ( 長度 ) | 4,000mm / 6,000mm |
| Color ( 顏色 ) | Silver , Black |
| Application ( 用途 ) | 機械結構、工作桌、機器外觀美化 |
