詢價車 (
0
)
886-4-23352908
詢價車
關於我們
韓國大榮金屬工廠本部(新廠)
陽極處理廠
鋁擠型工廠
鋁擠型與配件
M5系列 鋁擠型
M6系列 鋁擠型
M8系列 鋁擠型
M5系列 配件
M6系列 配件
M8系列 配件
共用配件
其他/特殊 鋁擠型
產品介紹
鋁擠型與配件全系列
M5系列 鋁擠型
M6系列 鋁擠型
M8系列 鋁擠型
M5系列 配件
M6系列 配件
M8系列 配件
共用配件
其他/特殊 鋁擠型
特殊鋁合金
特殊與專業領域精密鋁擠型
導電鋁板
鋁擠型DIY影片教學
鋁材製品研發
PT氣壓缸鋁管
AP鋁擠型產品
Aa 汽車應用
Pv太陽能光電
Gh綠建築
氣壓缸鋁管產品
特殊鋁合金
特殊與專業領域精密鋁擠型
導電鋁板
最新消息
型錄
下載
鋁擠型材2D圖面
配件3D圖
全檔案下載
聯絡我們
繁體中文
首頁
產品與服務總覽
鋁擠型與配件全系列
M8系列 配件
腳板
腳板
附件
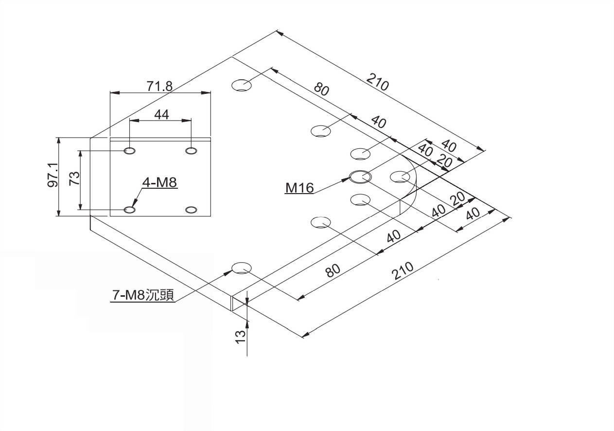
DFB08210RM16
數量 :
加入詢價車
產品敘述
NO.
產品型號
材質
用途
01
DFB08210RM16
ADC12+噴砂
8系列鋁擠型用
相關產品
更多
角度連結器120°
加入詢價車
更多
L型連結器
加入詢價車
更多
三角連結塊
加入詢價車
更多
隱藏式連結配件
加入詢價車
更多
角度連結器45°
加入詢價車
更多
L型連結器
加入詢價車
更多
平面連結器
加入詢價車
更多
佈線固定塊
加入詢價車