詢價車 (
0
)
886-4-23352908
詢價車
關於我們
韓國大榮金屬工廠本部(新廠)
陽極處理廠
鋁擠型工廠
鋁擠型與配件
M5系列 鋁擠型
M6系列 鋁擠型
M8系列 鋁擠型
M5系列 配件
M6系列 配件
M8系列 配件
共用配件
其他/特殊 鋁擠型
產品介紹
鋁擠型與配件全系列
M5系列 鋁擠型
M6系列 鋁擠型
M8系列 鋁擠型
M5系列 配件
M6系列 配件
M8系列 配件
共用配件
其他/特殊 鋁擠型
特殊鋁合金
特殊與專業領域精密鋁擠型
導電鋁板
鋁擠型DIY影片教學
鋁材製品研發
PT氣壓缸鋁管
AP鋁擠型產品
Aa 汽車應用
Pv太陽能光電
Gh綠建築
氣壓缸鋁管產品
特殊鋁合金
特殊與專業領域精密鋁擠型
導電鋁板
最新消息
型錄
下載
鋁擠型材2D圖面
配件3D圖
全檔案下載
聯絡我們
繁體中文
首頁
產品與服務總覽
鋁擠型與配件全系列
共用配件
韓國輪-重荷重輪 (韓國製)
韓國輪-重荷重輪 (韓國製)
附件
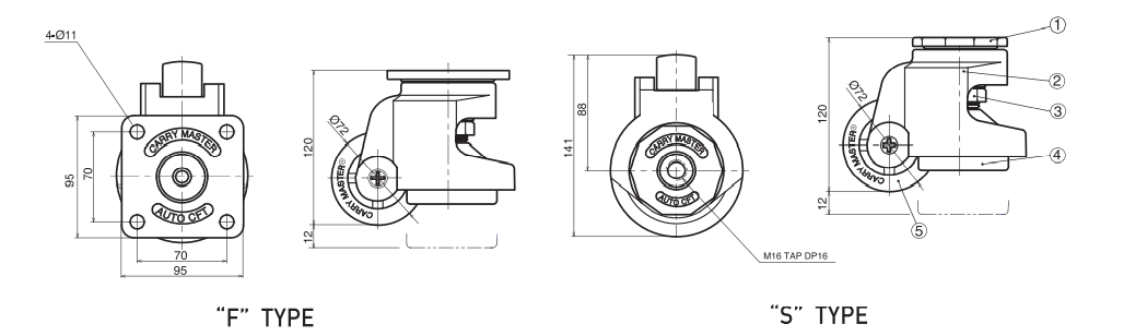
DYP-K1300F
DYP-K1300SM16
以下請選擇您要詢問的產品規格:
*
型號:
-- 請選擇 --
平板式
牙芯式M16牙
數量 :
加入詢價車
產品敘述
單輪安全荷重(Load/Unit):1000kg/EA
總安全荷重(Recommended):2000kg/4EA
NO.
部位
材質
01
頂部
SPC SM45C
02
本體
ALDC 12
03
調整把手
NYLON-6
04
腳墊
PU
05
輪子
NYLON-6
相關產品
更多
韓國輪-重荷重輪 (韓國製)
加入詢價車
更多
重荷重尼龍輪
加入詢價車
更多
韓國輪-中荷重輪 (韓國製)
加入詢價車
更多
嵌入式把手
加入詢價車
更多
附鎖式把手
加入詢價車
更多
嵌入式把手
加入詢價車
更多
重荷重尼龍輪
加入詢價車
更多
有頭內六角螺絲
加入詢價車